Product  REI-43H38S-2B2000-H1181

Incremental Encoder

Industrial Line

Order number: 100011165
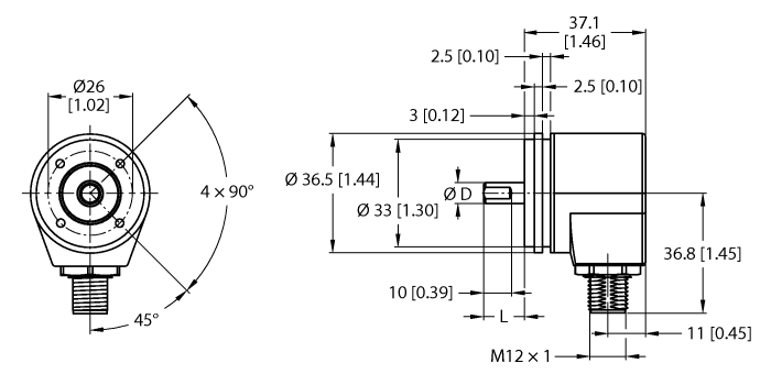
    • Synchro flange, Ø 36.5 mm
    • Solid shaft with flat, Ø 6 mm x 12.5 mm
    • Optical measuring principle
    • Shaft material: stainless steel
    • Protection class shaft IP50
    • Protection class housing IP65
    • -20…+85 °C
    • Max. 12000 rpm
    • 8…30 VDC
    • Push-pull/HTL invertible
    • Pulse frequency max. 200 kHz
    • M12 × 1 male connector, 8-pin
    • 2500 pulses per revolution
#

General data

EAN 4047101550177
eCl@ss-Code (V5.1.4): 27270502 -/- Encoder, incremental
Customs tariff number 90314990000
Country of origin IN
Weight 80 g

Technical Data

Encoder line Industrial-Line
Technology Optical
Output type Incremental
Shaft Type Solid shaft
Shaft diameter D (mm) 6
Flange diameter Ø  36.5 mm
Flange type Synchro flange
Resolution, incremental 2500  ppr
Operating voltage 8…30 VDC
Output function Push-Pull/HTL, invertable
Electrical connection Connector, M12 × 1
Housing material Aluminum chromated
Ambient temperature -20…+85 °C
Protection class shaft IP50
Protection class IP65

please confirm the format

mode of dispatch

Format s.o.:

Select Country

Turck worldwide

to top