Product SM31RFQD
Pressure-Resistant Linear Position Sensor
Analog
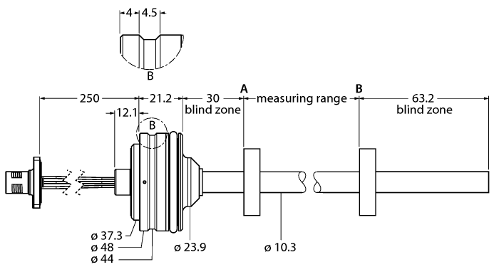
Order number: 100002115- Suited for hydraulic cylinders
- Embedded housing design
- The sensor is pressure resistant up to 340 bar (permanent), 680 bar (short-term)
- Adjustable measuring range
- Analog output 0.5…4.5 V
- 0.25 m cable with M12 male connector

General data
| EAN | 4047101458060 |
| eCl@ss-Code (V5.1.4): | 27270703 -/- Magnetostrictive linear position sensor |
| Customs tariff number | 90318020000 |
| Country of origin | US |
| Weight | 1060 g |
Technical Data
| Design | Rod |
| Operating voltage | 8…30 VDC |
| Output function | Analog output |
| Voltage output | 0.5…4.5 V |
| Electrical connection | Cable with connector, M12 × 1 |
| Housing material | Stainless steel, 1.4305 (AISI 303) |
| Ambient temperature | -40…+85 °C |
| Protection class | IP68 |
Mounting accessories
|
PT40R-1004-U1-H1143 | 6836476 |
|
VS2KRN5VQ | 3063101 |
|
PS001V-505-LI2UPN8X-H1141 | 6832853 |
|
WLS28PXRGBW1130DXKQ | 3811006 |
|
PK-N-MZ-001
Mounting bracket and mounting frame for PK-N pressure sensors |
6835025 |

