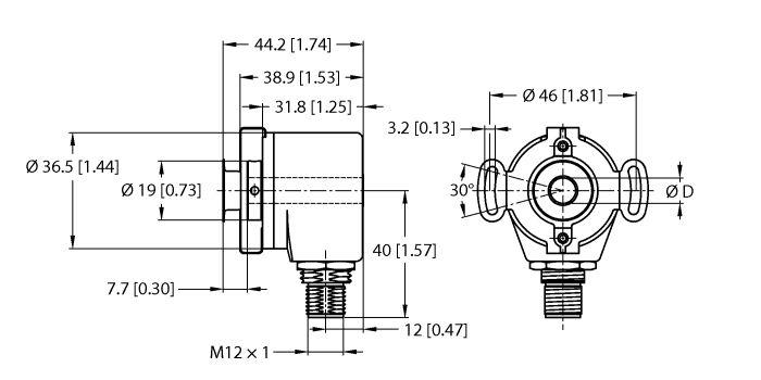
Product WSSW-WKSW451-10M
Incremental Encoder
Industrial Line
Order number: 100011200- Flange with stator coupling, Ø 46 mm
- Hollow shaft, Ø ¼"
- Optical measuring principle
- Shaft material: brass
- Protection class shaft IP50
- Protection class housing IP65
- -20…+85 °C
- Max. 6000 rpm
- 8…30 VDC
- Push-pull/HTL invertible
- Pulse frequency max. 200 kHz
- M12 × 1 male connector, 8-pin
- 2500 pulses per revolution

General data
| EAN | 4047101549829 |
| eCl@ss-Code (V5.1.4): | 27270502 -/- Encoder, incremental |
| Customs tariff number | 90314990000 |
| Country of origin | IN |
| Weight | 80 g |

