Product PSU67-11-2440/M
Compact power supply module in IP67
24 VDC output voltage - 3.8 A output current
Order number: 6884141- Broad temperature range
- Status LED

General data
| EAN | 4047101289558 |
| eCl@ss-Code (V5.1.4): | 27049002 -/- DC supply |
| Customs tariff number | 85044083900 |
| Country of origin | DE |
| Weight | 812 g |
Technical Data
| Power supply | 230 VUC |
| Nominal output voltage | 24 V |
| Output voltage | 24 VDC |
| Nominal current | 3.8 A |
| Parallel mode | no |
| Power Good Output | no |
| Electrical connection | Connector |
| Dimensions | 85 x 172 x 35 mm |
| Protection class | IP67 |
Connectivity accessories
|
FW-MRKPM0316-P-S-0608
Field-wireable female, 7/8”, straight, 3-pin, screw terminal connection, cable feedthrough 6.0 to 8.0 mm, core cross-section/terminal capacity 0.14 to 1.0 mm², plastic housing, metal nut |
6914501 |
|
B4231-0/9
Field-wireable female connector, 7/8”, angled, 3-pin, screw terminal connection, cable feedthrough 6.0 to 8.0 mm, core cross-section/terminal capacity 0.14 to 1.5 mm², plastic housing, metal nut |
6901114 |
|
RSM 40-2M
Power supply cable, 7/8” connector, straight, 4-pin, cable length: 2 m, jacket material: PVC, yellow; other cable lengths and qualities available, see www.turck.com |
U2084-1 |
|
RSM 40 RKM 50-2M/BL67
Power cable, 7/8″ male connector, straight, 4-pin to 7/8″ female connector, straight, 5-pin, cable length: 2 m, jacket material: PVC, yellow |
U-19553 |
|
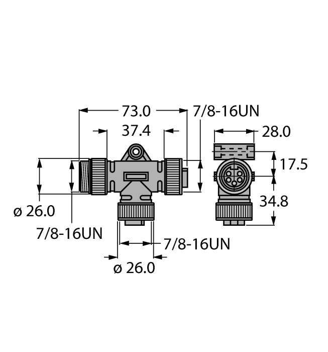
RSM-2RKM50
Power supply T-splitter, 1 x 7/8” male, 2 x 7/8” female, 5-pin, ampacity: 9 A, Rated voltage: 250 V, Temperature: -40 °C …+80 °C, wired in parallel |
6914950 |
|
FW-MRSPM0416-P-S-1012
Field-wireable male, 7/8”, straight, 4-pin, screw terminal connection, cable feedthrough 10.0 to 12.0 mm, core cross-section/terminal capacity 0.14 to 1.0 mm², plastic housing, metal nut |
6914510 |
|
BS4241-0/9
Field-wireable male connector, 7/8”, angled, 4-pin, screw terminal connection, cable feedthrough 6.0 to 8.0 mm, core cross-section/terminal capacity 0.14 to 1.5 mm², plastic housing, metal nut |
6901020 |

