Product  SLLCR23-1750-S

Flow Monitoring

Immersion Sensor without Integrated Processor

Order number: 6872052
    • Ex sensor for liquid media
    • Calorimetric functionality
    • Adjustment via Ex signal processor
    • Status displayed via signal processor
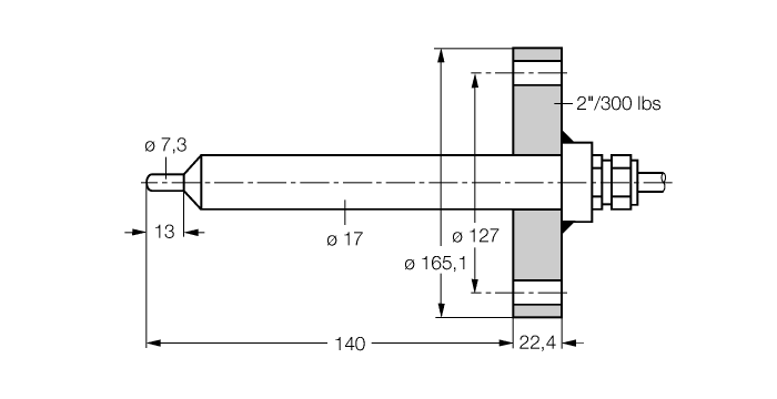
    • Sensor length 140 mm
    • ANSI flange 2“ 300 Ibs
    • PVDF cable gland
    • Ölflex-FD 855 P connection cable
    • Intrinsically safe Ex ib IIC T6…T3, for use in Zone 1
    • Cable device
    • 4-wire connection to an Ex signal processor
    • ATEX category II 2 G, Ex zone 1
    • ATEX category II 2 D, Ex zone 21
#

General data

EAN 4047101176537
eCl@ss-Code (V5.1.4): 27273190 -/- Flow meter (not classified)
Customs tariff number 90261029000
Country of origin DE
Weight 5000 g

Technical Data

Design Immersion
Electrical connection Cable
Cable length 6.0  m
Housing material Stainless steel, 1.4571 (AISI 316Ti)
Protection class IP67

Mounting accessories

1513420
3089095
1625834
4602210

Connectivity accessories

6934784
3015157
3025316
3815793

Select Country

Turck worldwide

to top