Product SLSCR30-450Q8
Pressure Transmitter
With Current Output (2-Wire)
Order number: 100015618- For mobile hydraulic applications
- Fully welded metal measuring cell
- Sealless
- With pressure tip orifice
- Compact and robust design
- Excellent EMC properties
- Excellent accuracy and long-term stability
- Kfz-Norm ISO 16750
- Pressure range 0…400 bar rel.
- 7.5…33 VDC
- Analog output 4…20 mA
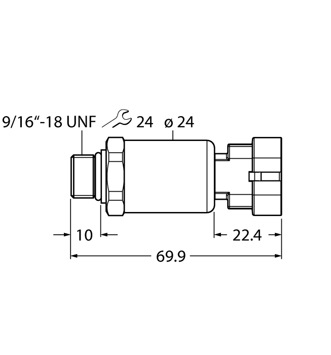
- Process connection 9/16"-18 UNF (SAE) male thread
- Plug-in device, AMP Superseal 1.5

General data
| EAN | 4047101518894 |
| eCl@ss-Code (V5.1.4): | 27200614 -/- Piezoresistive sensor (absolute and relative pressure) |
| Customs tariff number | 90262020000 |
| Country of origin | CH |
| Weight | 90 g |
Technical Data
| Design | Without display |
| Operating voltage | 7.5…33 VDC |
| Output function | Analog output current |
| Electrical connection | Connector, AMP Superseal 1.5 |
| Housing material | Stainless-steel/Plastic, 1.4404 (AISI 316L)/polyarylamide 50 % GF UL 94 V-0 |
| Ambient temperature | -40…+100 °C |
| Protection class | IP67 |

