Product QS18VN6CV45Q7
Ultrasonic Sensor
Diffuse Mode Sensor
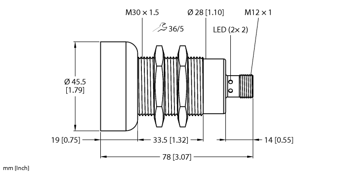
Order number: 100039015- Smooth sonic transducer face
- M30 cylindrical design, potted
- Connection via M12 × 1 male connector
- Measuring range adjustable via teach-in
- Temperature compensation
- Blind zone: 60 cm
- Range: 600 cm
- Resolution: 1 mm
- Adjustable switching hysteresis
- Aperture angle of sonic cone: ± 5 °
- 1 × switching output, PNP/NPN, IO-Link, teach-in, synchronization
- 1 × analog output, 4…20 mA/0…10 V/switching output, PNP/NPN
- NO/NC programmable
- Transmission of process value and parametrization via IO-link
- Adjustable operation as a retroreflective sensor

Mounting accessories
|
PT40R-1004-U1-H1143 | 6836476 |
|
VS2KRN5VQ | 3063101 |
|
QS30AF600 | 3011977 |
|
PS001V-505-LI2UPN8X-H1141 | 6832853 |
Connectivity accessories
|
WKC4.4T-P7X3.1-2.5/TXO3700 | 6633029 |
|
EC-FKFDE4.5-0.5/16 | 6934557 |

