Product QS30LDL
Flow Monitoring
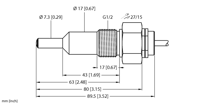
Immersion Sensor without Integrated Processor
Order number: 6870339- Ex sensor for liquid media
- Calorimetric functionality
- Adjustment via Ex signal processor
- Status indicated via LED chain on signal processor
- Sensor length 65 mm
- Acceptance test certificate 3.1 (EN 10204)
- Cable device
- 4-wire connection to an Ex0 processor
- ATEX category II 1/2 G, Ex-zone 0
- ATEX category II 1 D, Ex zone 20

General data
| EAN | 4047101173031 |
| eCl@ss-Code (V5.1.4): | 27273190 -/- Flow meter (not classified) |
| Customs tariff number | 90261029000 |
| Country of origin | DE |
| Weight | 288 g |
Technical Data
| Design | Immersion |
| Electrical connection | Cable |
| Cable length | 2.0 m |
| Housing material | Stainless steel, 1.4571 (AISI 316Ti) |
| Protection class | IP67 |
| Approvals | ATEX II 1 G, ATEX II 2 G, ATEX II 1 D |
Mounting accessories
|
SM312LVQDP | 3028155 |
|
INS.P.IO_SYSTEM-EXCOM_PSM24_N_1.32 | 100032386 |
|
LI150P1-Q17LM1-LIU5X2-0.3-RS5
Rectangular, plastic |
1590727 |
|
FS46PS-2/M16 | U2-29262 |

