Product BI2-M12-LIU
Pressure Transmitter
Ratiometric Output (3-Wire)
Order number: 100000752- For mobile hydraulic applications
- Fully welded metal measuring cell
- Sealless
- With pressure tip orifice
- Compact and robust design
- Excellent EMC properties
- Excellent accuracy and long-term stability
- Kfz-Norm ISO 16750
- Pressure range 0…600 bar rel.
- 5 VDC ± 10 %
- Ratiometric output 10…90 %
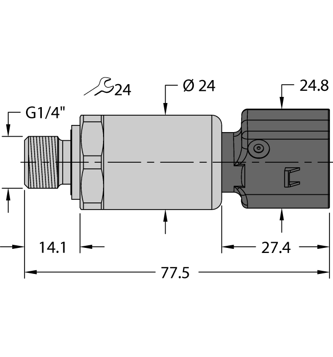
- Process connection G1/4″ male thread (back sealing) according to DIN EN ISO 1179-2 with FPM profile sealing ring
- Connector device, Kostal SLK 2.8 A-coding

General data
| EAN | 4047101442427 |
| eCl@ss-Code (V5.1.4): | 27200614 -/- Piezoresistive sensor (absolute and relative pressure) |
| Customs tariff number | 90262020000 |
| Country of origin | CH |
| Weight | 91 g |
Technical Data
| Design | Without display |
| Operating voltage | 4.5…5.5 VDC |
| Output function | ratiom. 10…90% |
| Voltage output | 0.5…4.5 V |
| Electrical connection | Connector, Kostal SLK 2.8 A-coding |
| Housing material | Stainless-steel/Plastic, 1.4404 (AISI 316L)/polyarylamide 50 % GF UL 94 V-0 |
| Ambient temperature | -40…+100 °C |
| Protection class | IP69K |
Mounting accessories
|
PT0.25R-1501-I2-H1143/D840 | 100004275 |
|
MNI.P.IO_SYSTEM-EXCOM_ABB_PROFIBUS.EN | 100041344 |
|
SM312CVBQDP | 3049073 |
|
RJ45S-FKSDD-4422-5M | 6636972 |
Functional accessories
|
PT5000PSIG-2004-I2-H1141 | 100000714 |

