Product TN-UHF-Q300-AUS-LNX
Accessories
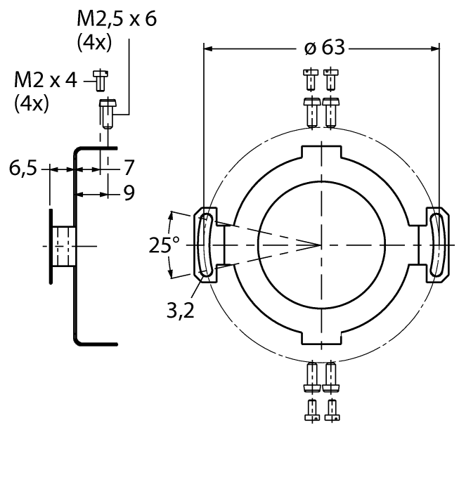
Stator Coupling
For Hollow Shaft Encoders
Order number: 1544613- Stator coupling, reference diameter 63 mm
- Laterally mounted at the encoder flange
- For applications with hight demands on accuracy
- Material: stainless steel

General data
| EAN | 4047101257274 |
| eCl@ss-Code (V5.1.4): | 27279090 -/- Sensor technology (not classified) |
| Customs tariff number | 90319000000 |
| Country of origin | DE |
| Weight | 10 g |
Technical Data
| Housing material | Stainless steel |
Connectivity accessories
Functional accessories
|
RKS4.4T-18-RSS4.4T/TXL | 6631523 |
|
TL50BLG1Y1R1AQ | 3025589 |
|
K30LXXGPQP | 3081555 |
|
RSS-RSS-8814-50M | 100024275 |
|
RKC4.5T-2/TEG | 6629851 |
Connectivity accessories — Network
|
RKC5T-P7X2-2-RSC5T/TXL | 6627218 |
|
WLS28-2CW710DX | 3087766 |
|
BRO.P.INTERFACE-IM12_CCM.EN | 100000409 |

