Product  RKSW 458-6M-OBS

IO-Link Master

4-Channel

Modbus RTU Interface

Order number: 3811445
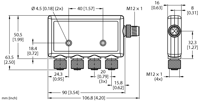
    • Protection class IP67
    • Flat, compact housing
    • Connection: 4 × male connectors, M12 × 1; 1 × female connector, M12 × 1
    • Operating voltage: 18…30 VDC
    • 4 × IO-Link master ports
    • RS485 interface, Modbus RTU
    • Can be configured using Banner IO-Link Configuration Software
#

Select Country

Turck worldwide

to top