Product RSCV-FBY48OG-10M/5D
Pressure Transmitter
With Current Output (2-Wire)
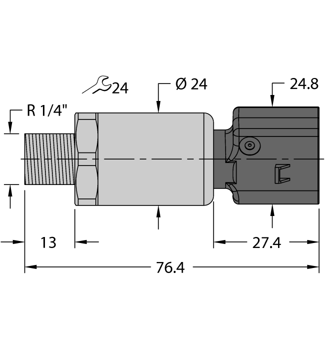
Order number: 100003586- For mobile hydraulic applications
- Fully welded metal measuring cell
- Sealless
- With pressure tip orifice
- Compact and robust design
- Excellent EMC properties
- Excellent accuracy and long-term stability
- Kfz-Norm ISO 16750
- Pressure range 0…600 bar rel.
- 7.5…33 VDC
- Analog output 4…20 mA
- Process connection R 1/4" male thread
- Plug-in device, Kostal SLK 2.8 A-coding

General data
| EAN | 4047101554106 |
| eCl@ss-Code (V5.1.4): | 27200614 -/- Piezoresistive sensor (absolute and relative pressure) |
| Customs tariff number | 90262020000 |
| Country of origin | CH |
| Weight | 90 g |
Technical Data
| Ambient temperature | -40…+100 °C |
| Protection class | IP69K |
| Approvals | cULus |

