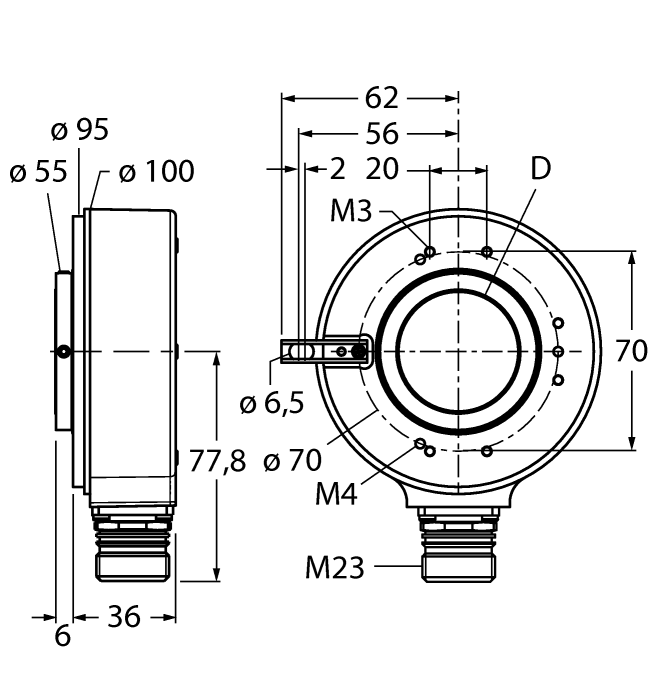
Product PKWV4M-2/TFW
Incremental Encoder
Industrial Line
Order number: 1545228- Flange with long spring element, Ø 100 mm
- Hollow shaft, Ø 30 mm
- Optical measuring principle
- Shaft material: stainless steel
- Protection class IP65 on shaft side
- -40…+70 °C
- Max. 3000 rpm
- 10…30 VDC
- M23 × 1 male, 12-pin
- Push-pull, with inversion
- Pulse frequency max. 300 kHz
- 1024 pulses per revolution

General data
| EAN | 4047101268522 |
| eCl@ss-Code (V5.1.4): | 27270502 -/- Encoder, incremental |
| Customs tariff number | 90314990000 |
| Country of origin | DE |
| Weight | 936 g |
Mounting accessories
|
PS01VR-501-2UP8X-H1141 | 6831832 |

