Product RKSD-RKSD-4422-25M
Image Processing
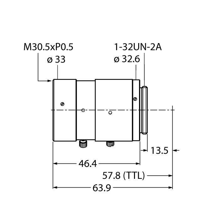
C-mount Lens
Order number: 3097351Alternative order number : 97351
- With focus and iris lock
- For VE Smart Camera
- Focal distance 50 mm
- Minimum operating distance: 336 mm
- Minimum view field: 37 × 28 mm
- Format: 2/3"

General data
| EAN | 662488973513 |
| eCl@ss-Code (V5.1.4): | 27310203 -/- Vision (image processing) (lenses) |
| Customs tariff number | 90029000000 |
| Country of origin | CH |
| Weight | 127.01 g |

