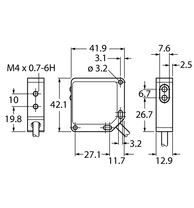
Product RKS5T-20-RSS5T/TXL
Vibration & Temperature Sensor
Synchronous Serial Interface
Modbus RTU
Order number: 3800955Alternative order number : 800955
- For detecting temperature and vibration values
- Sturdy zinc case
- Protection class IP67
- M12 x 1 cable with male end, PVC, 150 mm, 5-pin
- Operating voltage: 10…24 VDC or 3.6…5.5 VDC
- Temperature measuring range: -40…105 °C
- Resolution: 1 °C
- Accuracy: ± 3 °C
- Vibration measuring range: 0…65 mm/s RMS
- Frequency range: 10…1000 Hz
- Accuracy: ± 10 % at 25 °C
- Shock resistant up to 400g
- RS485 interface, supports Modbus RTU
- BWA-BK-005 mounting plate kit included in delivery

General data
| EAN | 4047101453591 |
| Customs tariff number | 90318080000 |
| Country of origin | US |
| Weight | 187 g |
Technical Data
| Cable length | 0.150 m |
Mounting accessories
|
PS01VR-501-2UP8X-H1141 | 6831832 |
|
INS.P.FLOW-FCS_N1_2A4_NAEX.01 | D102316 |
Connectivity accessories
|
TCG20-CC
Replacement connector for CAN interface. |
100002936 |

