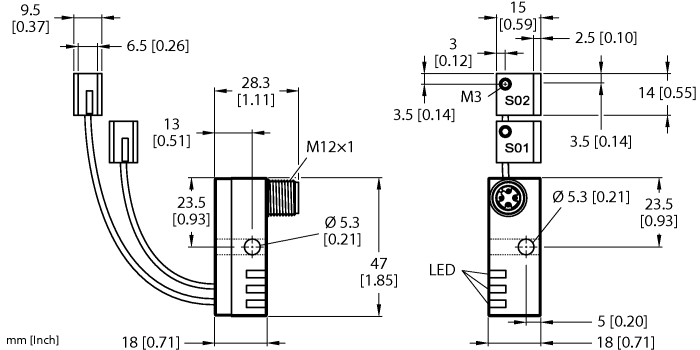
Product VBRS4.4-2PKG3S-0.3/0.3/TEL
Inductive Sensor
Monitoring Kit for Power Clamps
Order number: 1650062- Q9,5 power block with two connected sensors and LEDs
- Relocatable block 0°…90°, with cross drilling for flexible cable routing
- Plastic, PP GR-20
- Resistant to magnetic fields (weld-resistant), for DC and AC fields up to 100 mT
- 2 x NO contact, PNP output
- DC 4-wire, 10…30 VDC

General data
| EAN | 4047101081831 |
| eCl@ss-Code (V5.1.4): | 27270101 -/- Inductive proximity switch |
| Customs tariff number | 85365019000 |
| Country of origin | CN |
| Weight | 40 g |
Technical Data
| Cable length | 0.20 m |
| Cable jacket | Gray |
Mounting accessories
|
PS01VR-501-2UP8X-H1141 | 6831832 |
|
INS.P.FLOW-FCS_N1_2A4_NAEX.01 | D102316 |

