Product RKC4T-60/TEL
Glass Fiber
Single Conductor
Order number: 3017307Alternative order number : 17307
- Operating mode: Opposed mode sensor
- Stainless steel jacket, flexible
- Operating temperature of fiber-optic jacket: -140…+249 °C
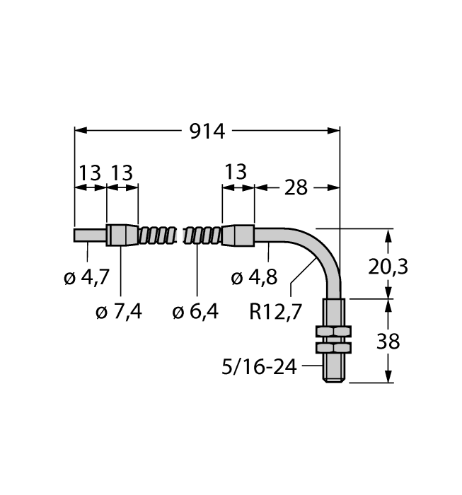
- End sleeve for sensor: Brass, angled (90 °), thread 5/16"-24
- Operating temperature of fiber-optic tip: -140…+249 °C
- Optical fiber, bundle diameter: 3.2 mm
- Optical fiber, total length: ± 914 mm

General data
| EAN | 662488173074 |
| eCl@ss-Code (V5.1.4): | 27061090 -/- Ready-made optical fiber (not classified) |
| Customs tariff number | 90011090900 |
| Country of origin | US |
| Weight | 117.48 g |
Mounting accessories
|
K50ALBT2GRHQ | 3802582 |
|
REI-12HA4E-4B2048-H1181 | 100010541 |
|
SLLP40-630P88 | 3089717 |
|
T8AP6RQ | 3066668 |
|
PS01VR-501-2UP8X-H1141 | 6831832 |
|
INS.P.FLOW-FCS_N1_2A4_NAEX.01 | D102316 |
Connectivity accessories
|
TCG20-CC
Replacement connector for CAN interface. |
100002936 |

