Product WLS28PXRGBW1130DXKQ
Absolute Rotary Encoder - Multiturn
Industrial Line
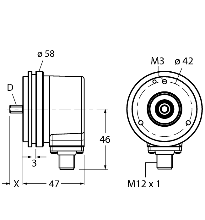
Order number: 100011309- Synchro flange, Ø 36 mm
- Solid shaft, Ø 10 mm × 20 mm
- Magnetic measuring principle
- Shaft material: stainless steel
- Protection class IP67 on housing and shaft side
- ‐40…+85 °C
- Max. 4000 rpm (continuous operation 2000 rpm)
- Energy harvesting technology
- 10…30 VDC
- Analog output, 4…20 mA per 16 CCW revolutions
- 12-bit resolution
- M12 × 1 male, 5-pin

General data
| EAN | 4047101548761 |
| eCl@ss-Code (V5.1.4): | 27270501 -/- Encoder, absolute |
| Customs tariff number | 90318080000 |
| Country of origin | DE |
| Weight | 200 g |
Technical Data
| Output function | Analog output |
| Electrical connection | Connector, M12 × 1 |
| Housing material | Die-cast zinc |
| Ambient temperature | -40…+85 °C |
| Protection class | IP67 |
Mounting accessories
|
REI-E-113T8S-2B2500-H1181 | 100011551 |
|
RSS8T-5/TEL | 6625453 |
|
PKG4M-1-PSW4M/TEL | 6625316 |

