Product K30APT2XRF2Q
Inductive Sensor
With Extended Switching Distance
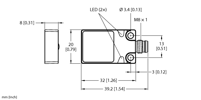
Order number: 1662008- Rectangular, height 8 mm
- Active face on top
- Metal, Zamak, nickel-plated
- Factor 1 for all metals
- Increased switching distance
- Protection class IP68
- Resistant to magnetic fields
- Mountable on metal
- DC 3-wire, 10…30 VDC
- NO contact, NPN output
- Male connector M8 × 1/Ø 8 mm

General data
| EAN | 4047101148640 |
| eCl@ss-Code (V5.1.4): | 27270101 -/- Inductive proximity switch |
| Customs tariff number | 85365019000 |
| Country of origin | PL |
| Weight | 16 g |
Technical Data
| Output function | NO contact, NPN |
| Electrical connection | Connector, M8 × 1/Ø 8 mm |
| Housing material | Metal, Zamak, Nickel Plated |
| Ambient temperature | -25…+70 °C |
| Protection class | IP68 |
Mounting accessories
|
RSSD-RSSD-4422-0.5M | 6635819 |
Connectivity accessories
|
TI-BL20-E-EN-S-6
BL ident interface set |
7030632 |
|
RSC4.4T-15/TXG | 6634164 |

