Product WLS28-2CW570L25XQ
Absolute Rotary Encoder - Multiturn
Industrial Line
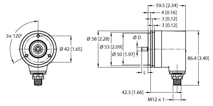
Order number: 100011423- Synchro flange, Ø 58 mm
- Solid shaft, Ø 6 mm × 10 mm
- Optical measuring principle
- Shaft material: stainless steel
- Protection class IP67 on housing and shaft side
- ‐40…+80 °C
- Max. 8000 rpm (continuous operation 5000 rpm)
- 10…30 VDC
- CANopen
- M12 × 1 male, 5-pin
- Singleturn resolution 14 bit scalable, default 14 bit
- Multiturn resolution scalable up to 16 bit over total resolution
- Total resolution 32 bit scalable, default: 32 bit

Mounting accessories
|
REI-E-113T8S-2B2500-H1181 | 100011551 |
|
RSS8T-5/TEL | 6625453 |
|
PKG4M-1-PSW4M/TEL | 6625316 |
Connectivity accessories
|
TI-BL20-E-EN-S-6
BL ident interface set |
7030632 |
|
RSC4.4T-15/TXG | 6634164 |

