Product DS18VN6FF100Q7
Inductive Sensor
With Extended Switching Distance
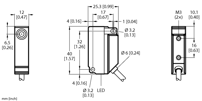
Order number: 1635523- Rectangular, height 12mm
- Active face, lateral
- Plastic, PA12‐GF30
- Factor 1 for all metals
- Increased switching distance
- Protection class IP68
- Resistant to magnetic fields
- Mountable on metal
- DC 3-wire, 10…30 VDC
- NO contact, NPN output
- Cable connection


