Product DS18VN6FF50Q8
Inductive Sensor
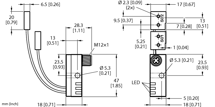
Monitoring Kit for Power Clamps
Order number: 1650079- Q6,5 power block with two connected sensors and LEDs
- Relocatable block 0°…90°, with cross drilling for flexible cable routing
- Plastic, PBT‐GF20‐V0
- Resistant to magnetic fields (weld-resistant), for DC and AC fields up to 100 mT
- 2 x NO contact, NPN output
- DC 4-wire, 10…30 VDC


