Product LS2LR30-600Q8
Capacitive Sensor
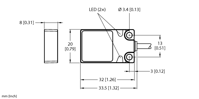
Order number: 2620111- Rectangular, height 8 mm
- Active face on top
- Metal, Zamak, nickel plated
- Fixed settings
- DC 3-wire, 10…30 VDC
- NC contact, NPN output
- M8 × 1 connector

General data
| EAN | 4047101149418 |
| eCl@ss-Code (V5.1.4): | 27270102 -/- Capacitive proximity switch |
| Customs tariff number | 85365019000 |
| Country of origin | PL |
| Weight | 23 g |
Technical Data
| Design | Rectangular |
| Output function | NC contact, NPN |
| Electrical connection | Cable with connector, M8 × 1 |
| Cable length | 0.150 m |
| Housing material | Metal, Zamak, Nickel Plated |
| Ambient temperature | -25…+70 °C |
| Protection class | IP68 |

