Product SLSE30-750Q5
FOUNDATION fieldbus Flanschanschluss
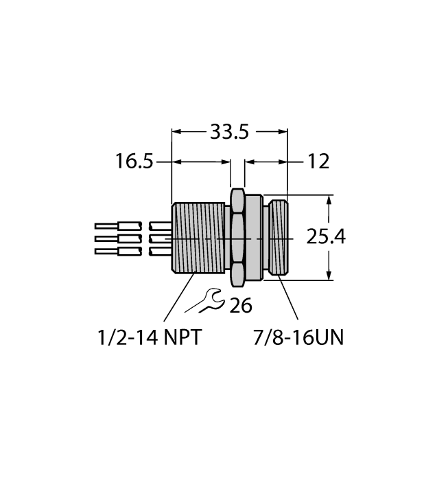
Flange
Order number: U7834- 7/8" minifast Flanschstecker
- 1/2″-14 NPT screw-in thread
- Stainless steel flange housing
- 4-pin, wire length 0.3 m
- For use in FOUNDATION fieldbus applications

General data
| EAN | 4047101032932 |
| eCl@ss-Code (V5.1.4): | 27250314 -/- Connection technology |
| Customs tariff number | 85366990990 |
| Country of origin | MX |
| Weight | 70 g |
Technical Data
| Ambient temperature | -40…+105 °C |

