Product Q45VR3F W/30
Field-Wireable Connector
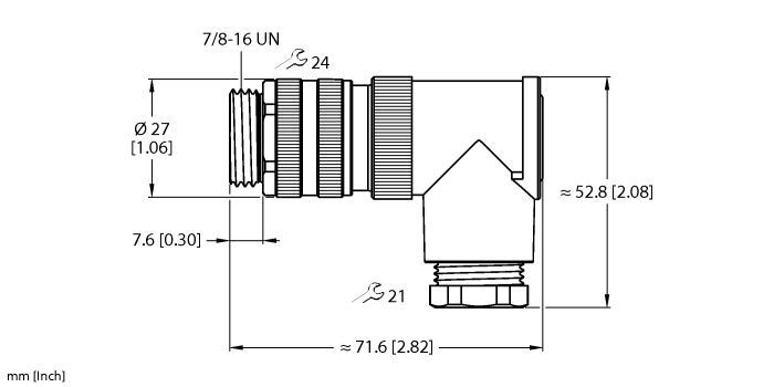
7/8″ Male Connector, Angled
Order number: 100048525- For use in DeviceNet and CANopen applications as well as for power supply
- Screw terminal connection
- 5-pin

General data
| EAN | 4047101646641 |
| eCl@ss-Code (V5.1.4): | 27279201 -/- Connectivity (accessories sensors) |
| Customs tariff number | 85366990990 |
| Country of origin | DE |
| Weight | 1 g |
Mounting accessories
|
INS.P.IO_SYSTEM-EXCOM_PSM24_N_1.32 | 100032386 |
|
PS016V-511-2UPN8X-H1141 | 6832935 |
|
FS46PS-2/M16 | U2-29262 |
Functional accessories
|
WLC60CW340GFAR | 3086884 |
|
WKH4.4-40/TFG | 6934945 |

