Product QMT42VP6FF2000Q
Inductive Sensor
Stainless Steel Front
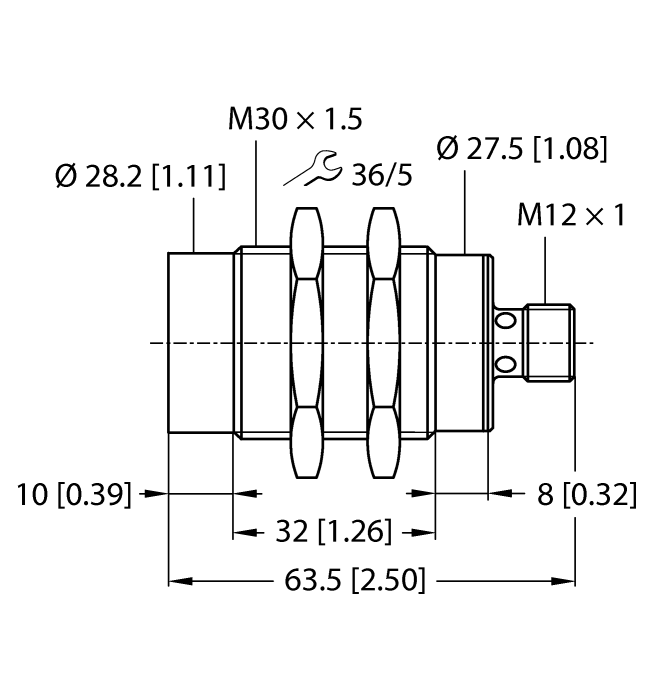
Order number: 100003205- M30 × 1.5 threaded tube
- Stainless steel, 1.4305
- For double plate detection
- DC 3-wire, 10…30 VDC
- NO contact, PNP output
- M12 x 1 male connector

General data
| EAN | 4047101477009 |
| eCl@ss-Code (V5.1.4): | 27270101 -/- Inductive proximity switch |
| Customs tariff number | 85365019000 |
| Country of origin | CH |
| Weight | 142 g |
Technical Data
| Design | Threaded barrel |
| Construction size | M30 x 1.5 |
| Operating voltage | 10…30 VDC |
| Output function | NO contact, PNP |
| Electrical connection | Connector, M12 × 1 |
| Housing material | Stainless steel, 1.4305 (AISI 303) |
| Ambient temperature | -25…+70 °C |
| Protection class | IP67 |
| Special features | All-metal sensor, Pressure resistant |

