Product  Q45AD9DL

Capacitive Sensor

Order number: 100027492
    • Detection of metallic and non-metallic objects
    • Detection of liquids, powders and solid materials
    • All functions can be parameterized via IO-Link
    • Three different types of object teaching (one value, two value, dynamic) possible
    • Available counting function whose content can be called up via IO-Link
    • Switching status indicated by four LEDs arranged all around the device
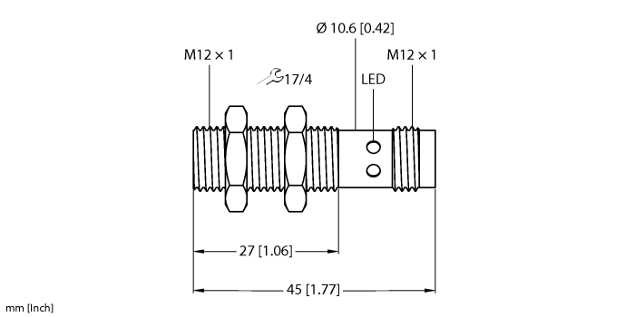
    • M12 × 1 male connector, 4-pin
    • Robust, compact housing made of nickel-plated brass
    • M12 threaded design, flush, switching distance = 4 mm
#

General data

EAN 4047101539042
eCl@ss-Code (V5.1.4): 27270102 -/- Capacitive proximity switch
Customs tariff number 85365019000
Country of origin DE
Weight 23 g

Technical Data

Design Threaded barrel
Construction size M12 x 1
Operating voltage 18…30 VDC
Output function NO/NC programmable, PNP/NPN
Communication protocol IO-Link
Electrical connection Connector, M12 × 1
Housing material Metal, Nickel-plated brass
Ambient temperature -25…+70 °C
Protection class IP67

Mounting accessories

100032386
6832935
U2-29262

Functional accessories

3029412

Select Country

Turck worldwide

to top