Product  WLS28-2XWR2-990SQ

Plastic Fiber

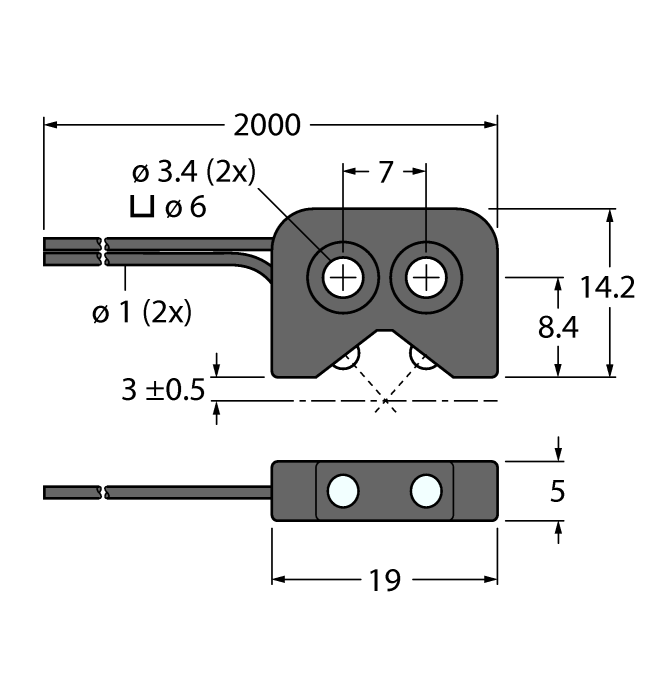
Single Conductor — Jacketed Optical Cable Made of Plastic Fiber

Order number: 3051832

Alternative order number : 51832

    • Operating mode: Convergent mode sensor
    • 1 pcs. included in delivery
    • Polyethylene jacket, flexible
    • Operating temperature: -30…+70 °C
    • Cable, straight, customizable
    • End sleeve for probe, rectangular, convergent
    • Optical fiber, total length: ± 1829 mm
#

General data

EAN 662488518325
eCl@ss-Code (V5.1.4): 27061090 -/- Ready-made optical fiber (not classified)
Customs tariff number 85447000900
Country of origin JP
Weight 40 g

Technical Data

Function Opposed mode sensor (emitter/receiver)
Housing material Plastic, PE, Black
Ambient temperature -30…+70 °C

Mounting accessories

100011551
6625453
6625316

Connectivity accessories

7030632
6634164

Select Country

Turck worldwide

to top