Product  Q40SP6R

Inductive Sensor

Ring Sensor

Order number: 14043
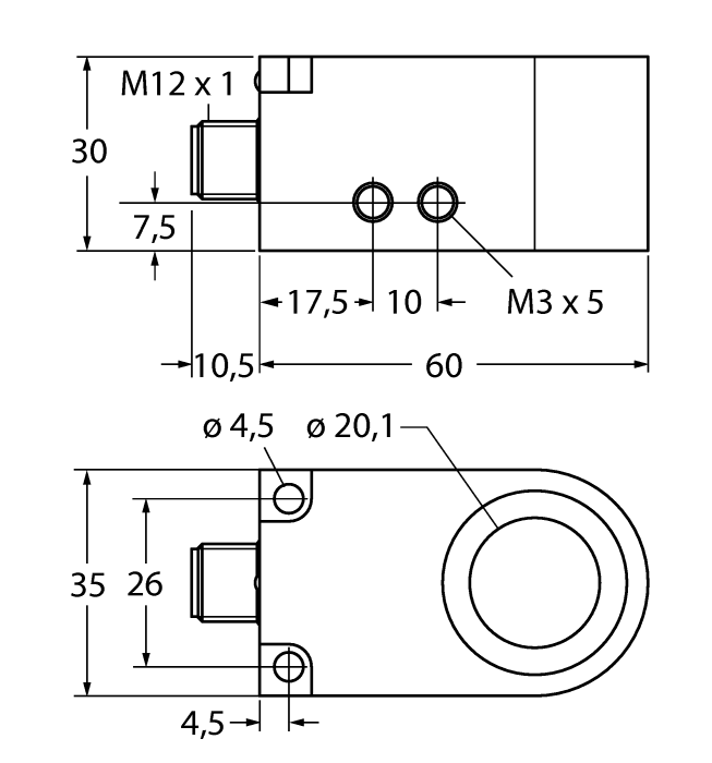
    • Rectangular, height 30 mm
    • Plastic, PA12‐GF30
    • Pulse duration 100 ms
    • Sensitivity adjusted via potentiometer
    • DC 3-wire, 10…30 VDC
    • Dynamic output behaviour
    • NO contact, NPN output
    • M12 x 1 male connector
#

General data

EAN 4047101068689
eCl@ss-Code (V5.1.4): 27270101 -/- Inductive proximity switch
Customs tariff number 85365019000
Country of origin DE
Weight 77 g

Technical Data

Design Ring sensor
Construction size 60 x 35 x 30 mm, W30
Operating voltage 10…30 VDC
Output function NO contact, NPN
Electrical connection Connector, M12 × 1
Housing material Plastic, PA12-GF30
Ambient temperature -25…+70 °C
Protection class IP67
Special features Ring sensor, dynamic output

please confirm the format

mode of dispatch

Format s.o.:

Select Country

Turck worldwide

to top