Product RKP54PLA-35-RSP54PLA/TXG
Absolute Rotary Encoder - Multiturn
Industrial Line
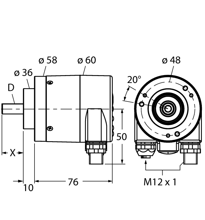
Order number: 1544416- Clamping flange, Ø 58 mm
- Solid shaft, Ø 10 mm × 20 mm
- Optical measuring principle
- Shaft material: stainless steel
- Protection class IP67 on shaft side
- -40…+80 °C
- Max. 3000 rpm
- Profibus
- Removable bus cover with male, 3 × M12
- Singleturn, resolution scalable to 16 bit (default 13-bit)
- Multiturn resolution max. 12 bit, scalable

General data
| EAN | 4047101255805 |
| eCl@ss-Code (V5.1.4): | 27270501 -/- Encoder, absolute |
| Customs tariff number | 90314990000 |
| Country of origin | DE |
| Weight | 777 g |
Connectivity accessories
|
TCG20-CC
Replacement connector for CAN interface. |
100002936 |
|
REI-43H42S-4C2048-H1181 | 100011499 |
|
RKC4.441T-20/TEB | 6628448 |
|
INS.P.IO_SYSTEM-EG_VA1515_002G_A008.10 | 100051029 |

