Product RKP44PLA-2/TXL
Pressure Transmitter
Ratiometric Output (3-Wire)
Order number: 100000751- For mobile hydraulic applications
- Fully welded metal measuring cell
- Sealless
- With pressure tip orifice
- Compact and robust design
- Excellent EMC properties
- Excellent accuracy and long-term stability
- Kfz-Norm ISO 16750
- Pressure range 0…600 bar rel.
- 5 VDC ± 10 %
- Ratiometric output 10…90 %
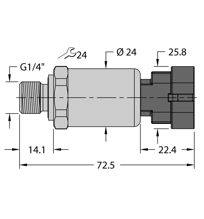
- Process connection G1/4″ male thread (back sealing) according to DIN EN ISO 1179-2 with FPM profile sealing ring
- Connector device, AMP Superseal 1.5

General data
| EAN | 4047101442410 |
| eCl@ss-Code (V5.1.4): | 27200614 -/- Piezoresistive sensor (absolute and relative pressure) |
| Customs tariff number | 90262020000 |
| Country of origin | CH |
| Weight | 89 g |
Technical Data
| Approvals | cULus |
Connectivity accessories
|
TCG20-CC
Replacement connector for CAN interface. |
100002936 |
|
REI-43H42S-4C2048-H1181 | 100011499 |
|
RKC4.441T-20/TEB | 6628448 |
|
INS.P.IO_SYSTEM-EG_VA1515_002G_A008.10 | 100051029 |
|
PPROCAMSG-G | 3077064 |

