Product TBEN-LL-EN1
Glass Fiber
Bifurcated Fiber
Order number: 3023160Alternative order number : 23160
- Operating mode: Diffuse/Retroreflective
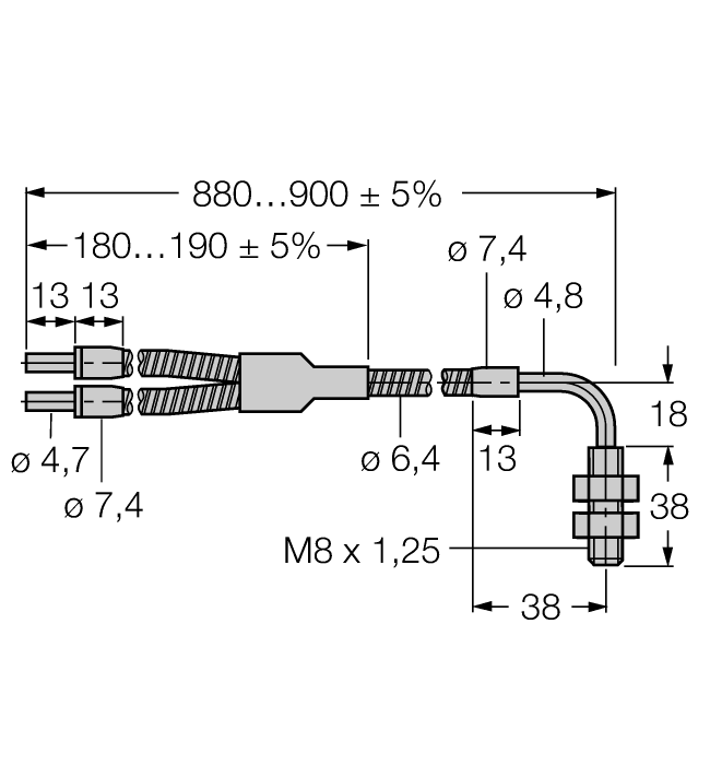
- Stainless steel jacket, flexible
- Operating temperature of fiber-optic jacket: -140…+249 °C
- End sleeve for sensor: Stainless steel, angled (90 °), thread M8 × 1.3
- Operating temperature of fiber-optic tip: -140…+249 °C
- Optical fiber, bundle diameter: 3.2 mm
- Optical fiber, total length: ± 914 mm

General data
| EAN | 662488231606 |
| eCl@ss-Code (V5.1.4): | 27061090 -/- Ready-made optical fiber (not classified) |
| Customs tariff number | 90011090 |
| Country of origin | US |
| Weight | 130 g |
Technical Data
| Ambient temperature | -140…+249 °C |
| Protection class | IP67 |
Mounting accessories
|
T30RW3FF200Q1 | 3033432 |
Connectivity accessories
|
RKSW 455-1M | U0348 |
Connectivity accessories — Power supply
|
SMA30PELMC1 | 3056002 |
|
PT1V-2008-I2-H1143/D802 | 100026100 |
Connectivity accessories — I/O
|
BC5-S18-AP4X
Cylindrical, threaded barrel, 18 mm, plastic |
25030 |
|
M18SN6FF50 W/30 | 3050471 |
|
SLPCR25-690P8 | 3083623 |
|
PT600R-2008-I2-DA91/X | 6836660 |
|
LEDRA80X80M | 3072268 |
|
PS001V-505-2UPN8X-H1141 | 6832694 |
|
PT300PSIG-2003-IX-H1143 | 100002236 |
|
BI2-EM12D-AP6/S120
cylindrical, threaded barrel, 12 mm, stainless steel |
4614512 |
|
SLLR40-1400P8 | 3089107 |
Connectivity accessories — Network
|
RKC5T-P7X2-2-RSC5T/TXL | 6627218 |
|
WLS28-2CW710DX | 3087766 |
|
BRO.P.INTERFACE-IM12_CCM.EN | 100000409 |
|
LG10A65PUQ | 3057581 |
|
INS.P.LED_LIGHTING-WLS70_DC.FR | 220918_FR |
|
SMU315FV
Photoelectric sensor, series MINI-BEAM, sensing mode: glass fiber-optic sensor, rectangular housing with 2 m cable, 24-240 VUC supply voltage, relay |
3052573 |

