Product MNI.P.IO_SYSTEM-EXCOM_SIEMENS_PCS7_PN.EN
Inductive Sensor
With Increased Switching Distance
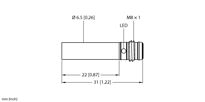
Order number: 4610020- Smooth barrel, Ø 6.5 mm
- Stainless steel, 1.4305 (AISI 303)
- Large sensing range
- DC 3-wire, 10…30 VDC
- NO contact, PNP output
- M8 x 1 male connector

General data
| EAN | 4047101155068 |
| eCl@ss-Code (V5.1.4): | 27270101 -/- Inductive proximity switch |
| Customs tariff number | 85365019000 |
| Country of origin | LK |
| Weight | 7 g |

