Product  REM-98B10T-7AAR-H1151

Capacitive Sensor

Order number: 100027490
    • Detection of metallic and non-metallic objects
    • Detection of liquids, powders and solid materials
    • All functions can be parameterized via IO-Link
    • Three different types of object teaching (one value, two value, dynamic) possible
    • Available counting function whose content can be called up via IO-Link
    • Switching status indicated by four LEDs arranged all around the device
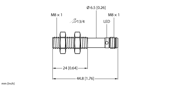
    • Male connector, M8 × 1, 3-pin
    • Robust, compact housing made of nickel-plated brass
    • M8 threaded design, flush, switching distance = 2 mm
#

General data

EAN 4047101539028
eCl@ss-Code (V5.1.4): 27270102 -/- Capacitive proximity switch
Customs tariff number 85365019000
Country of origin DE
Weight 14 g

Technical Data

Construction size 44.8 mm
Operating voltage 18…30 VDC
Output function NO/NC programmable, PNP/NPN
Communication protocol IO-Link
Electrical connection Connector, M8 × 1
Housing material Metal, Nickel-plated brass
Ambient temperature -25…+70 °C
Protection class IP67

Select Country

Turck worldwide

to top