Product PT16R-1020-I2-DA91
Capacitive Sensor
Order number: 100027493- Detection of metallic and non-metallic objects
- Detection of liquids, powders and solid materials
- All functions can be parameterized via IO-Link
- Three different types of object teaching (one value, two value, dynamic) possible
- Available counting function whose content can be called up via IO-Link
- Switching status indicated by four LEDs arranged all around the device
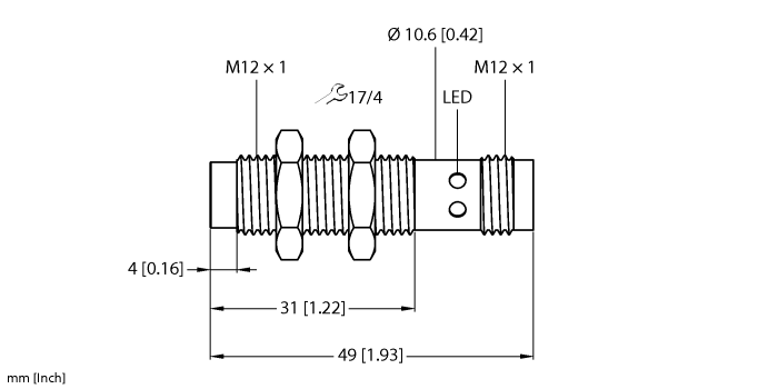
- M12 × 1 male connector, 4-pin
- Robust, compact housing made of nickel-plated brass
- M12 threaded design, non-flush, switching distance = 8 mm

General data
| EAN | 4047101539059 |
| eCl@ss-Code (V5.1.4): | 27270102 -/- Capacitive proximity switch |
| Customs tariff number | 85365019000 |
| Country of origin | DE |
| Weight | 23 g |
Technical Data
| Design | Threaded barrel |
| Operating voltage | 18…30 VDC |
| Communication protocol | IO-Link |
| Electrical connection | Connector, M12 × 1 |
| Housing material | Metal, Nickel-plated brass |
| Medium temperature | -25…+70 °C |
| Ambient temperature | -25…+70 °C |
| Protection class | IP67 |
Data Sheets
| German | 153 KB |
| English | 153 KB |
| French | 154 KB |
| Spanish | 152 KB |
| Czech | 154 KB |
| Dutch | 153 KB |
| Romanian | 153 KB |
| Russian | 159 KB |
| Polish | 154 KB |
| Chinese | 233 KB |
| Turkish | 153 KB |
Approval/Declaration
CAD File
Configuration File
Configuration Software
Instructions for Use
Manual
| IO-Link Devices — Commissioning | 11322 KB |
| IO-Link — Simple, Consistent, Efficient | 1266 KB |
| IO-Link Parameters Manual | 375 KB |
Product Overview
Connectivity accessories
|
SMU315DQDP | 3059144 |

